Dotcomp 1048 Budapest, Tenkefürdő u 5.
(bejárat a Székelyszenttamás utca felől)
Telefon: 06-1/273-2424
Fax: 06-1/273-2429

Stahlwille 45 19 02010019 Külső hatlap Dugókulcs betét 19 mm 3/8 (10 mm)

<Stahlwille 45 19 02010019 Külső hatlap Dugókulcs betét 19 mm 3/8 (10 mm)

Gyári cikkszám:02010019

Árukód:CON_1519867

Garanciaidő:Nincs

Részletes leírás

Csavarkulcs-betét 3/8 " 19 mm

Kivitelezés a DIN 3124 és az ISO 2725-1 szerint. Készült nagyteljesítményű HPQ® acélból, krómozott felülettel.

Ez a szöveg gépi fordítással készült.

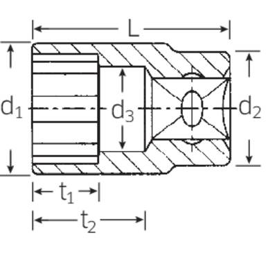
Műszaki adatok: Anyag: HPQ nagyteljeítményű acél · Anyagjellemző: Krómozott · DIN szabvány: DIN 3124, DIN ISO 2725-1 · Elhajtás: Külső hatlap · Kulcsszélesség: 19 mm · Meghajtás (csavarhúzó): 3/8" (10 mm) · Méret, hossz: 32 mm · Termék típus: Dugókulcs betét · További műszaki adatok: d1: 25,2 mm · d2: 19 mm · t1: 13,5 mm · t2: 19 mm · d3: 18 mm